客户咨询热线:
021-56616517  
您当前的位置: 网站首页 > 产品中心 > 产品详情

产品参数

61809-Y轴承

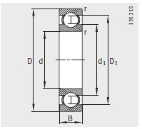
型号:61809-Y 旧型号:
品牌:FAG 系列:深沟球轴承
厚度(B):7 静负荷:
内径(d):45 动负荷:
外径(D):58 备注:

联系方式

热线电话:021-56616517  

QQ:1197694438    邮箱:2424025657@qq.com

在线留言

产品详情

上海呐志精密轴承有限公司销售61809-Y轴承,61809-Y轴承相关信息有: 型号61809-Y 内径:45 外径:58 厚度:7 品牌:FAG 系列:深沟球轴承 ,想要更多的了解61809-Y轴承的相关信息,可以进行在线咨询或者拨打热线电话 ,我们会详细为您服务。
61809-Y轴承使用范围很广,61809-Y轴承主要应用于工程机械、机床、汽 车、冶金、矿山、石油、机械、电力、铁路等行业,本公司销售的61809-Y轴承价 格合理,保证质量,全方面的服务,尽一切满足客户的需求。

推荐型号

版权所有:上海呐志精密轴承有限公司
备  案 号:沪ICP备2022032159号-1
公安备案:沪公网安备 31011402008998号
技术支持:华轴网
  • 地址:上海市金山区廊下镇景乐路228号3幢(廊下乐农文化创意产业园)
  • 邮箱:2424025657@qq.com
  • 电话:021-56616517  

18817916889
扫一扫 加微信

在线客服

在线客服

在线客服

在线客服

免费咨询

销售热线:

021-56616517

服务传真:

021-56619876 

上班时间:

周一至周五
8:00-18:00