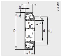
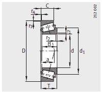
型号:3FC
品牌:LYC
系列:圆锥滚子轴承
备注:
型号:32219
型号:32220J2/DF
品牌:SKF
型号:32219-A
品牌:FAG
型号:32321-A
型号:7519E
18817916889 扫一扫 加微信
在线客服